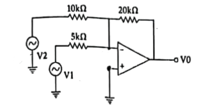
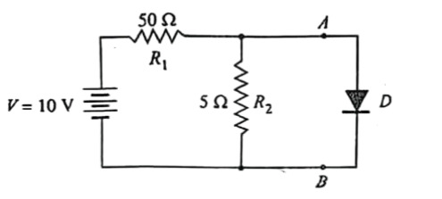
Bangladesh Bank - Sub Assistant Engineer (Electrical) (17-01-2026) - 2026 এর CQ সমাধান
All Written Question - (37)
Bangladesh Bank - Sub Assistant Engineer (Electrical) (17-01-2026) নিয়োগ পরীক্ষার আপডেট প্রশ্ন-ব্যাংক। এই সেকশনে Bangladesh Bank - Sub Assistant Engineer (Electrical) (17-01-2026) নিয়োগ পরীক্ষার প্রায় প্রতিটি প্রশ্ন স্যাট টিম এবং ইউজাররা একাধিকবার রিভিউ করেছে ফলে প্রশ্নোত্তর সমূহ প্রায় নির্ভুল। এছাড়া প্রায় প্রতিটি প্রশ্নেই উত্তরের স্বপক্ষে একাধিক ব্যাখ্যা যুক্ত আছে । আপডেট চলমান…
স্যাট একাডেমির সব কন্টেন্ট উন্মুক্ত হওয়ায়, আপনিও ভুল সংশোধন এবং স্ব-স্ব প্রশ্নের স্বপক্ষে ব্যাখ্যা সংযোজন এবং সম্পাদনাও করতে পারবেন।
এই প্রশ্ন-ব্যাংক আপনাকে শুধুমাত্র Bangladesh Bank - Sub Assistant Engineer (Electrical) (17-01-2026) নিয়োগ প্রশ্নের ধরণ সম্পর্কেই ধারণা দিবে না, বরং এই প্রশ্নব্যাংকের মাধ্যমে গুরুত্বপূর্ণ টপিক্স সম্পর্কেও সম্যক জ্ঞান অর্জন করতে পারবেন।
চলুন এক নজরে Bangladesh Bank - Sub Assistant Engineer (Electrical) (17-01-2026) প্রশ্ন-ব্যাংক এর কোর ফিচার সমূহ দেখে নিই -
- প্রায় প্রটিটি প্রশ্নই নির্ভুল এবং উত্তরের স্বপক্ষে প্রাসঙ্গিক ব্যাখ্যা দেওয়া আছে।
- প্রায় প্রতিটি প্রশ্নে অধ্যায় ভিত্তিক ট্যাগ যুক্ত করা হয়েছে। এছাড়া আপনিও ট্যাগ যুক্ত করতে পারবেন।
- প্রতিটি প্রশ্নে একাধিক ব্যাখ্যা যুক্ত আছে। আপনিও ব্যাখ্যা সংযোজন এবং সম্পাদনা করতে পারবেন।
- প্রতিটি প্রশ্ন ব্যাংকে লাইভ টেস্ট দিয়ে নিজের অবস্থান যাচাই করতে পারবেন ।
- প্রশ্ন-ব্যাংকের প্রশ্ন সমূহ টেস্ট মুডেও পড়তে পারবেন।
- প্রশ্ন-ব্যাংক ইমেজ অথবা পিডিএফ আকারে ডাউনলোড করতে পারবেন।
- গুরুত্বপূর্ণ প্রশ্ন বুকমার্ক করতে পারবেন (বুকমার্ক প্রশ্নসমূহ প্রিন্ট বা ডাউনলোড করতে পারবেন)।
- প্রতিটি প্রশ্নে প্রসঙ্গিক ইউটিউব ভিডিও টিউটোরিয়াল আছে। না থাকলে, আপনিও একাধিক ইউটিউব ভিডিও যুক্ত করতে পারবেন।
- প্রশ্নোত্তরে ভুল থাকলে এডিট বাটনে ক্লিক করে ভুল সংশোধনে অবদান রাখতে পারবেন।
- ভুল থাকলে কর্তৃপক্ষকে রিপোর্টও করতে পারবেন।
- প্রতিটি প্রশ্নের উত্তরের স্বপক্ষে ব্যাখ্যা সংযোজন এবং সম্পাদনা করতে পারবেন।
- Bangladesh Bank - Sub Assistant Engineer (Electrical) (17-01-2026) সহ স্যাট একাডেমির বিভিন্ন সেকশনে নিয়মিত অবদান রেখে শিক্ষাভিত্তিক দেশের সর্ববৃহৎ ওপেন প্লাটফর্মকে আরও শক্তিশালী এবং সমৃদ্ধ করার পাশাপাশি নিজ প্রোফাইলকে টপ কন্ট্রিবিউটরদের তালিকাভুক্ত করতে পারবেন ।
কেন স্যাট একাডেমি থেকে পড়বেন?
- আমরা প্রদান করি ১০০% বিশ্বাসযোগ্য ও প্রমাণিত প্রশ্নব্যাংক, যা শিক্ষার্থী ও বিশেষজ্ঞরা নিয়মিত আপডেট ও উন্নত করে চলেছেন।
- পরীক্ষার চাহিদা অনুযায়ী প্রতিদিন নতুন নতুন প্রশ্ন সংযোজন।
- যেকোনো ডিভাইস থেকে সহজে প্রবেশ ও পড়াশোনার সুবিধা।
- Bangladesh Bank - Sub Assistant Engineer (Electrical) (17-01-2026) নিয়োগ পরীক্ষার সফলতার সম্ভাবনা বাড়ানোর জন্য সর্বোত্তম টুল।

